Various of Stainless Steel Fitting Supply

Union Y Tee

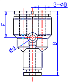
PY Union Y Tee
MODEL ФD Фd B F
PY04 4 3.2 35.5 14
PY06 6 3.2 37.1 14.8
PY08 8 3.2 40.4 18.2
PY10 10 4.2 47.1 19.5
PY12 12 4.2 53.2 21.6
PY16 16 5.1 61 23.5
 

Drawing & Specification

PY

Welcome To Share This Page
MODEL ФD Фd B F
PY5/32 5/32 3.2 35.5 14
PY3/16 43906 3.2 36.1 14.3
PY1/4 43834 3.2 37.1 14.8
PY5/16 43967 3.2 40.4 18.2
PY3/8 43898 4.2 47.1 19.5
PY1/2 43832 4.2 53.2 21.6
 

Relate Products

GET A FREE QUOTE NOW

Contact Form Demo (#3)